En poursuivant votre navigation sur ce site, vous acceptez l'utilisation de cookies pour vous proposer des contenus et services adaptés à vos centres d'intérêts. En savoir plus et gérer ces paramètres. OK X
 
 

 

 

Nouveaux produits

Le nouveau logiciel PicoScope propose une analyse de la forme d’onde et des fonctionnalités améliorées gratuitement !

Publication: Janvier 2016

Partagez sur
 
Pico Technology a présenté la version 6.11.7 de son logiciel PicoScope®...
 

Cette version de PicoScope offre d’importantes nouvelles fonctionnalités aux ingénieurs, scientifiques, techniciens et chercheurs qui travaillent sur la toute dernière génération de technologies électriques et électroniques.

« Le secteur électronique fait face à des cycles de développement plus rapides qui requièrent des outils de mesure avancés et une prise en charge des nouvelles normes de communication série », a expliqué Trevor Smith, responsable du développement commercial pour les produits d’essai et de mesure de Pico. « La nouvelle version de PicoScope relève de nombreux défis grâce à l’ajout de nouveaux outils mathématiques de traitement des formes d’ondes, au décodage de protocoles série populaires et aux améliorations apportées au tracé du domaine fréquentiel TFR. Pour les utilisateurs équipés d’écrans tactiles, Pico a introduit la prise en charge des fonctions Pincer et Zoomer pour faciliter l’affichage et le positionnement des formes d’ondes capturées ».

Les fonctions mathématiques avancées en matière de forme d’onde comprennent désormais des filtres configurables par l’utilisateur : passe-haut, passe-bas, passe-bande et coupe-bande. Les filtres peuvent être utilisés pour modéliser les éléments de circuit manquants sur des formes d’ondes en temps réel, ainsi que pour réaliser des analyses par simulation à l’aide de différents paramètres de conception. Le facteur de fréquence et de forme par rapport au tracé en temps réel est une nouvelle fonctionnalité qui permet l’analyse en un coup d’œil des données volumineuses de forme d’onde. Grâce à ces représentations graphiques, il est possible de mesurer la gigue d’horloge et le dérapage, le taux de modulation et les caractéristiques des signaux FM cycle par cycle.

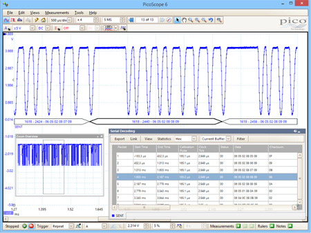
Les bus série sont courants dans les systèmes embarqués et de nouvelles normes sont fréquemment introduites, chacune étant optimisée pour une classe d’application spécifique et un équilibre entre performances, fiabilité et coûts. PicoScope prend en charge un total de seize protocoles, parmi lesquels SENT, 10- et 100BASE-T Ethernet, DMX512 (systèmes d’éclairage) et DCC (modélisme ferroviaire). La prise en charge d’anciennes normes, comme I2C, SPI, CAN et UART / RS-232, a été mise à jour et améliorée.

https://www.picotech.com/downloads

Suivez Electronique Mag sur le Web

 

Newsletter

Inscrivez-vous a la newsletter d'Electronique Mag pour recevoir, régulièrement, des nouvelles du site par courrier électronique.

Email: