Selon l’Agence Internationale de l’Energie (AIE), la croissance exponentielle du marché de l’intelligence artificielle (IA) augmente massivement les besoins énergétiques des data centers, dont la consommation d’électricité devrait plus que doubler en trois ans, de 2022 à 2025. Outre l’augmentation des coûts, cette situation met à rude épreuve les infrastructures électriques vieillissantes, qui s’épuisent déjà et nécessitent de nouveaux investissements.
L’augmentation de la consommation électrique des data centers se traduit par une demande croissante de semiconducteurs de puissance capables de convertir efficacement l’énergie électrique afin de réduire les coûts et les émissions de gaz à effet de serre, dans la perspective du “zéro émissions nettes”. Les systèmes d’alimentation sont également de plus en plus recherchés pour leur faible coût total et leur taille plus compacte.
Le refroidissement est un autre problème majeur pour les data centers, et on estime qu’il représente plus de 40 % de la consommation d’électricité dans la plupart des data centers aujourd’hui. En fait, lorsque nous parlons de l’efficacité des alimentations électriques, l’énergie gaspillée est simplement dissipée sous forme de chaleur, que les systèmes de climatisation du data center doivent évacuer. Ainsi, une conversion d’énergie plus efficace signifie moins de chaleur, ce qui à son tour signifie moins d’argent dépensé en électricité pour le refroidissement.
Examinons plus en détail les besoins des systèmes d’alimentation des data centers et la manière dont les fournisseurs de composants répondent à ces défis. La densité de puissance dans les data centers augmente rapidement, les fournisseurs de blocs d’alimentation (PSU) s’efforcent d’intégrer le plus de puissance possible sur un rack standard 1U (figure 1). Il y a une dizaine d’années, la densité moyenne par rack était de l’ordre de 4 à 5 kW, mais aujourd’hui, les hyperscalers cloud, telles qu’Amazon, Microsoft ou Facebook - recherchent plutôt 20 ou 30 kW par rack. Certains systèmes spécialisés vont plus loin, imposant 100 kW par rack ou plus.

Ces densités de puissance élevées nécessitent des blocs d’alimentation compacts qui peuvent s’intégrer dans un petit format. Elles doivent également être hyper efficaces, car il y a moins d’espace pour dissiper et gérer la chaleur produite par les pertes dues à la conversion d’énergie.
Cependant, le défi ne se limite pas à l’amélioration de l’efficacité globale - les blocs d’alimentation doivent également répondre aux besoins spécifiques du marché des data centers. Par exemple, tous les blocs d’alimentation pour data center dédié à l’IA doivent répondre à la spécification stricte Open Rack V3 (ORV3).
Récemment, les fournisseurs de serveurs racks ont lancé une nouvelle alimentation AC-DC qui fonctionne à partir d’une plage d’entrée nominale de 200 à 277 VAC avec une sortie de 50 VDC. Elle est conforme à la norme ORV3 qui exige un rendement maximal de plus de 97,5 % entre 30 et 100 % de charge et un rendement minimal de 94 % entre 10 et 30 % de charge.
En tant qu’élément clé de la conversion AC-DC dans les blocs d’alimentation, il est essentiel d’obtenir un rendement élevé au niveau correction du facteur de puissance (PFC). L’étage PFC façonne le courant d’entrée afin de maximiser le rapport entre la puissance utile et la puissance d’entrée totale. La conception de la PFC est également essentielle pour respecter la compatibilité électromagnétique (EMC) dans les réglementations telles que IEC 61000-3-2, ainsi que pour garantir la conformité avec les spécifications d’efficacité énergétique telles que ENERGY STAR®.
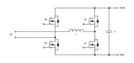
La meilleure approche de l’étage PFC dans de nombreuses applications, en particulier dans les data centers, est la topologie PFC « totem pole ». Cette topologie est généralement utilisée pour le bloc PFC dans l’alimentation des systèmes de 3 à 8 kW dans les data centers (figure 2). Basés sur des MOSFET, les étages PFC totem pole améliorent l’efficacité et la densité de puissance des alimentations en courant alternatif en supprimant le pont redresseur encombrant et avec pertes.

Toutefois, pour atteindre 97,5 % d’efficacité ou plus exigée par les data centers hyperscale, un PFC totem pole nécessite des MOSFET utilisant un matériau semiconducteur à « large bande » tel que le carbure de silicium (SiC). Aujourd’hui, tous les étages PFC utilisent des MOSFET en SiC pour la branche commutation rapide, tandis que des MOSFET à super jonction à base de silicium sont utilisés pour la phase ou branche lente.
Les MOSFET SiC ont de meilleures performances et une efficacité accrue par rapport aux MOSFET en silicium. Ils offrent également des performances supérieures à haute température, sont robustes et peuvent fonctionner à des fréquences de commutation plus élevées.
Comparé à un MOSFET à super jonction en silicium, un MOSFET en SiC a un score plus faible en énergie stockée dans sa capacité de sortie (EOSS), ce qui est critique à faible charge, car la principale perte de commutation dans les étages PFC est causée par des dispositifs avec un EOSS et une charge de grille relativement élevés. Une EOSS plus faible minimise les pertes d’énergie lors de la commutation, ce qui permet d’augmenter l’efficacité de la branche rapide du PFC totem pole. En outre, un MOSFET en SiC présente un meilleur coefficient de température (positif) de RDS(ON) par rapport à un MOSFET à super jonction en silicium en raison de sa conductivité thermique supérieure, qui est trois fois meilleure que ceux en silicium.
Le graphique suivant illustre la relation entre résistance d’allumage et température de jonction pour un MOSFET SiC de 650V. (Figure 3) (résistance d’allumage à la température de jonction de 175 degrés Celsius est 1,5 fois supérieure à celle de la température ambiante).

De même, le graphique suivant (figure 4) illustre la relation entre la résistance thermique et la température de jonction pour un MOSFET à superjonction de 650 V. La resistance thermique à la température de jonction de 175 degrés Celsius est plus de 2,5 fois supérieure à celle de la température ambiante.

Si l’on compare une RDS(ON) similaire entre un MOSFET super-jonction 650 V en silicium et un MOSFET SiC 650 V, la RDS(ON) d’un MOSFET super-jonction 650 V augmente jusqu’à environ 50 mohm à une température de jonction (Tj) de 175 degrés Celsius, tandis que la résistance à l’état passant (RDS(ON)) d’un MOSFET SiC 650 V est d’environ 30 mohm à une Tj de 175 degrés Celsius. Pendant le fonctionnement à haute température, un MOSFET SiC de 650 V a une perte de conduction plus faible.
Dans un bloc branche lente d’un PFC totem pole ainsi que dans un bloc LLC, les pertes de conduction dominent la perte de puissance globale. Le RDS(ON) moins élevé des MOSFET SiC à température de jonction plus élevée améliore l’efficacité du système.
Les MOSFET SiC excellent dans les topologies PFC totem pole en raison d’une augmentation minimale de la RDS(ON) à haute température et d’un EOSS exceptionnel, qui contribuent tous deux à améliorer l’efficacité et à réduire les pertes d’énergie.
Les MOSFET EliteSiC M3S 650V d’onsemi, y compris les NTBL032N065M3S et NTBL023N065M3S, offrent la meilleure performance de commutation de leur catégorie et améliorent considérablement l’efficacité du système dans les étages PFC et LLC. La technologie EliteSiC M3S surpasse son prédécesseur avec une réduction de 50% de la charge de grille, une réduction de 44% de l’EOSS et une réduction de 44% de la charge stockée dans la capacité de sortie (QOSS). Cette valeur EOSS supérieure améliore l’efficacité du système à faible charge lorsqu’il est utilisé dans une topologie à commutation dure (hard switching) dans l’étage PFC. De plus, un QOSS plus faible simplifie la conception de l’inductance du réservoir résonant pour les topologies de commutation douce dans l’étage LLC.
Les MOSFET EliteSiC M3S dissipent moins de chaleur grâce à d’excellentes performances de commutation et d’efficacité énergétique. En plus de contribuer à réduire les besoins de refroidissement dans les data centers, les MOSFET EliteSiC M3S peuvent « travailler à froid » dans les blocs PFC et DC-DC avec une fréquence de fonctionnement élevée, comme dans un chargeur DC pour véhicules électriques (VE).
Les nouveaux MOSFET EliteSiC conviennent également parfaitement aux applications d’infrastructure énergétique, telles que les générateurs photovoltaïques (GN), les systèmes de stockage d’énergie (SSE), les alimentations sans interruption (ASI) et les stations de recharge pour véhicules électriques. Les ingénieurs concepteurs peuvent réduire la taille globale de leur système grâce aux MOSFET EliteSiC M3S, qui permettent d’augmenter la fréquence de fonctionnement. Du point de vue système, les ingénieurs concepteurs peuvent réduire le coût du système avec les MOSFET EliteSiC M3S, par rapport aux MOSFET à super-jonction 650 V en silicium.
Globalement, les nouveaux MOSFET EliteSiC sont compétitifs par rapport aux MOSFET à super-jonction du marché en termes de coût, d’EMI, de fonctionnement à haute température et de performance de commutation sur la base du même RDS(ON). Le MOSFET EliteSiC M3S 650V présente un RDS(ON) inférieur à celui des MOSFET à super jonction dans le même boîtier, ce qui améliore l’efficacité du système dans la topologie LLC. Le MOSFET EliteSiC 650V se distingue des autres alternatives en silicium par ses pertes de commutation beaucoup plus faibles.

Dans cet article, nous avons brièvement examiné la manière dont les besoins en énergie toujours croissants des data centers hyperscale imposent de nouvelles exigences en matière d’efficacité de la conversion d’énergie. L’IA promettant de changer notre monde, nous avons besoin de cette efficacité pour que notre réseau électrique actuel puisse supporter l’essor du cloud computing gérée par l’IA.
L’efficacité des étages PFC et LLC peut être améliorée de manière significative avec des MOSFET SiC. Les MOSFET EliteSiC M3S 650 V d’onsemi améliorent grandement l’efficacité des étages PFC et LLC dans les data centers hyperscale. Les MOSFET EliteSiC M3S 650V offrent une charge de grille, un EOSS et un QOSS plus faibles, augmentant l’efficacité et simplifiant la conception pour les topologies à commutation dure utilisées dans les étages PFC et LLC, contribuant ainsi à réduire la consommation d’électricité et à diminuer les coûts d’exploitation.